樱花草黄色电影中心
樱花草黄色电影應用於海洋、石油、石化、船舶、電力、熱力、化工、天然氣、城市工程裝置、鋼鐵等領域。
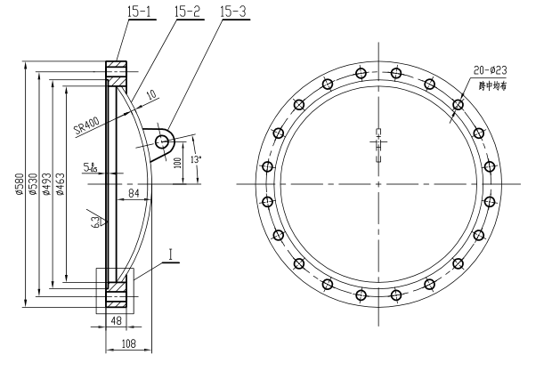
浮頭法蘭
浮頭法蘭

浮頭法蘭

浮頭換熱器的浮頭部分結構設計,除需考慮管柬能在設備內部自由伸縮。
樱花草黄色电影描述

浮頭換熱器的浮頭部分結構設計,除需考慮管柬能在設備內部自由伸縮,及檢修、安裴、清洗方便外,還應浮頭端蓋的密封。而鉤圈對保證浮頭端的密封、防止管殼間介質的串漏起重要的作用。

鉤圈對保證浮頭端的密封、防止介質間的串漏起著重要的作用。隨著浮頭換熱器的設計、製造技術的發展、以及長期以來使用經驗的積累,鉤圈的結構形式也得到了不斷的改進和完善。鉤圈一般都是對開式結構,要求密封可靠,結構簡單、緊湊、便於製造和拆裝方便。

浮頭式換熱器、冷凝器;浮頭式折流杆換熱器、冷凝器;T形翅片管重沸器和浮頭式雙弓形及三弓形折流板換熱器是目前煉油裝置大量使用的通用標準換熱器。近年來,隨著GB150---1998《鋼製壓力容器》和GB151-1999《管殼式換熱器》等標準的不斷修改,使得國標換熱器(浮頭式換熱器、冷凝器、u形管式換熱器)和洛陽石油化工工程公司(LPEC)的標準換熱器(浮頭式折流杆換熱器、冷凝器,T形翅片管重沸器,浮頭式雙弓形及三弓形折流板換熱器)中各個部件的計算方法也要做相應修改。2OOO年根據“全國容委會”和“換熱器分會”的計劃,要求LPEC負責對國標換熱器JB/T47l4_-92和JB/T4717—92中浮頭蓋部分的各個參數進行修訂,且要求全部出計算書。由於標準中公式的修改,該部件的計算程序也要相應修改,為此作者按GB151-1999中的要求編製了浮頭蓋部分的計算軟件,但在對標準換熱器浮頭法蘭係列重新進行校核計算過程中,發現壓力較高、直徑較大的換熱器在用受外壓計算浮頭法蘭厚度時,計算所需厚度很大,計算結果很不理想。而浮頭法蘭厚度計算結果對換熱器節約材料,減少加工難度,降低成本,確保使用安全,都具有重要意義。困此,針對計算時出現的情況,簡要闡述計算時應注意的問題。

 

 

 

 

河北樱花视频在线免费观看管道有限公司是一家集研製、樱花AV一区二区、銷售和服務於一體的大型的管道裝備製造企業:可樱花AV一区二区管道管件、彎頭、彎管、三通、異徑管(大小頭)、管帽(封頭)等管道配件還可以樱花AV一区二区銷售以下法蘭樱花草黄色电影:

板式平焊法蘭 帶頸平焊法蘭 帶頸對焊法蘭 盲板 法蘭蓋 合金法蘭盲板 法蘭人孔 法蘭管板 八字盲板 方型法蘭 鬆套法蘭 法蘭螺絲螺母 法蘭墊片 20#法蘭 A105法蘭 Q235法蘭 鋼製法蘭 焊接法蘭 PL法蘭 WN法蘭 SO法蘭 RTJ法蘭 法蘭盤 法蘭蓋 法蘭片 板法蘭 法蘭管件 法蘭管 接管法蘭 大口徑法蘭 標準法蘭 鋼製法蘭 圖紙訂做法蘭 16MN法蘭 異型法蘭 非標法蘭 鋁法蘭 快開人孔 圓形人孔 矩形人孔 除灰孔 常壓人孔 圓形人孔 矩形人孔 燃氣法蘭 化工法蘭 石油法蘭 電廠法蘭 石油管道用的焊接法蘭 化工輸送管道用的法蘭 天然氣管道用的法蘭盤 電廠火電用的法蘭盤 藥廠及食品廠用的法蘭 汙水處理輸送用的法蘭 消防器材用的法蘭盤 機械設備及管道用的法蘭 煤礦廠耐磨用的法蘭 引用水及排水管道用的法蘭 橋梁及建築用的法蘭片 低中高壓流體輸送用法蘭 鉤圈法蘭

 

用管道鏈接您我、靠質量鑄造友誼。

上一個
下一個
  • 聯係電話- 0317-6689999  6165555 
  • 業務郵箱- 9905791@qq.com
  • 公司地址- 河北省滄州市鹽山縣城南工業開發區(中原管道南廠)
  • 聯係手機-15530461111(微信同步)-孟經理
樱花视频在线免费观看管道

HEBEI ZHONGRAN PIPELINE CO., LTD.

河北樱花视频在线免费观看管道有限公司

  • 聯係電話- 0317-6689999  6165555 
  • 業務郵箱- 9905791@qq.com
  • 公司地址- 河北省滄州市鹽山縣城南工業開發區(中原管道南廠)
  • 聯係手機-15530461111(微信同步)-孟經理

版權所有:河北樱花视频在线免费观看管道有限公司    冀ICP備30849357號-6

網站建設:中企動力  石家莊

網站地圖