樱花草黄色电影描述
| Threaded Coupling Specification: | ||||||||||
| Size/尺寸 | 1/8″~4″ (DN6~DN100) | |||||||||
| Class/壓力等級 | 3000 LBS, 6000 LBS | |||||||||
| Type/連接形式 | Threads: American National Standard Taper Pipe Threads, | |||||||||
| NPT(ANSI/ASME B1.20.1-1983), | ||||||||||
| Also available in other thread forms: Rc, Rp, BSP, BSPT,BSPP and in any combination. | ||||||||||
| Surface Treatment/表麵處理 | Hot Dipped Galvanizing, Epoxy & FBE Coating, Electro Polish, Sand Blasting, Soldering,Darken, | |||||||||
| 熱浸鍍鋅,環氧樹脂和FBE塗層,電拋光,噴砂,發黑 | ||||||||||
| Materal/材質 | Stainless Steel, Alloy Steel, Duplex, Nickel Alloys, Low temperature Steel, Carbon Steel, Cupro Nickel | |||||||||
| 不鏽鋼、合金鋼、雙相鋼、低溫鋼、碳鋼、鎳基合金 | ||||||||||
| Manufacturing process/製造工藝 | Cutting, Heat treatment, Forging, Machining, | |||||||||
| 鋸切、熱處理、模鍛、機加工 | ||||||||||
| Manufacturing Standards/製造標準 | ASME 16.11, GB/T14383-2018,BS-3799 | |||||||||
| Threaded Coupling Material Grades: | ||||||||||
| Stainless Steel/不鏽鋼 | ASTM A182 F304, 304L, 316, 316L,310S, 316Ti,317L | |||||||||
| Duplex & Super Duplex Steel/雙相鋼 | ASTM A 182 – F51, F53, F55, S31803, S32205, S32550, S31254, SMO254, S32750, S32760, S32950. | |||||||||
| Carbon Steel/碳鋼 | ASTM/ ASME A 105, ASTM/ ASME A 350 LF 2 | |||||||||
| Alloy Steel/合金鋼 | ASTM / ASME A 182, ASTM / ASME F5, F9, F11,F22, F 91 | |||||||||
| Copper Alloy Steel/銅合金 | Copper Alloy Steel Forged Threaded 90 Deg Elbow : ASTM / ASME SB 111 UNS NO. C 10100 , C 10200 , C 10300 , C 10800 , C 12000, C 12200, C 70600 C 71500, ASTM / ASME SB 466 UNS NO. C 70600 ( CU -NI- 90/10) , C 71500 ( CU -NI- 70/30) | |||||||||
| Nickel Alloy/鎳合金 | ASTM / ASME SB 336, ASTM / ASME SB 564 / 160 / 163 / 472, UNS 2200 (NICKEL 200) , UNS 2201 (NICKEL 201 ) , UNS 4400 (MONEL 400 ) , UNS 8020 ( ALLOY 20 / 20 CB 3 ) , UNS 8825 INCONEL (825) , UNS 6600 (INCONEL 600 ) , UNS 6601 (INCONEL 601) , UNS 6625 (INCONEL 625) , UNS 10276 (HASTELLOY C 276) | |||||||||
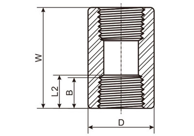
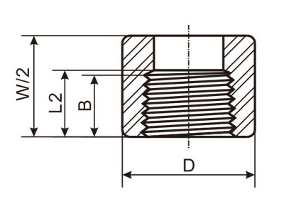
| Threaded Coupling Dimesions: | ||||||||||
![]() |
![]() |
|||||||||
| Threaded Pressure Class | Pipe Schedule | |||||||||
| Class 3000 | S160 | |||||||||
| Class 6000 | XXH | |||||||||
| DN | Nom. | Center to End | Center to End | Outside | End Wall | Length Of | ||||
| Pipe | Coupling | Cap | Diameter | Thickness | Thread | |||||
| Size | W | P | D | G Min. | Min.(1) | |||||
| 3000&6000 | 3000 | 6000 | 3000 | 6000 | 3000 | 6000 | B | L2 | ||
| 6 | 1/8" | 32 | 19 | --- | 16 | --- | 4.8 | --- | 6.4 | 6.7 |
| 8 | 1/4" | 35 | 25 | 27 | 19 | 25 | 4.8 | 6.4 | 8.1 | 10.2 |
| 10 | 3/8" | 38 | 25 | 27 | 22 | 32 | 4.8 | 6.4 | 9.1 | 10.4 |
| 15 | 1/2" | 48 | 32 | 33 | 28 | 38 | 6.4 | 7.9 | 10.9 | 13.6 |
| 20 | 3/4" | 51 | 37 | 38 | 35 | 44 | 6.4 | 7.9 | 12.7 | 13.9 |
| 25 | 1" | 60 | 41 | 43 | 44 | 57 | 9.7 | 11.2 | 14.7 | 17.3 |
| 32 | 1-1/4" | 67 | 44 | 46 | 57 | 64 | 9.7 | 11.2 | 17 | 18 |
| 40 | 1-1/2" | 79 | 44 | 48 | 64 | 76 | 11.2 | 12.7 | 17.8 | 18.4 |
| 50 | 2" | 86 | 48 | 51 | 76 | 92 | 12.7 | 15.7 | 19 | 19.2 |
| 65 | 2-1/2" | 92 | 60 | 64 | 92 | 108 | 15.7 | 19 | 23.6 | 28.9 |
| 80 | 3" | 108 | 65 | 68 | 108 | 127 | 19 | 22.4 | 25.9 | 30.5 |
| 100 | 4" | 121 | 68 | 75 | 140 | 159 | 22.4 | 28.4 | 27.7 | 33 |
| (1)Dimensions in Millimeters. | ||||||||||
| (2)Dimension B is minimum length of perfect thread. The length of useful thread(B plus threads with fully formed roots and flat crests)shall not be less than L2(effective length of external thread)required by American National Standard for Pipe Threads (ANSI/ASME B1.20.1) |
- 聯係電話- 0317-6689999 6165555
- 業務郵箱- 9905791@qq.com
- 公司地址- 河北省滄州市鹽山縣城南工業開發區(中原管道南廠)
- 聯係手機-15530461111(微信同步)-孟經理
- 聯係電話- 0317-6689999 6165555
- 業務郵箱- 9905791@qq.com
- 公司地址- 河北省滄州市鹽山縣城南工業開發區(中原管道南廠)
- 聯係手機-15530461111(微信同步)-孟經理
版權所有:河北樱花视频在线免费观看管道有限公司 冀ICP備30849357號-6


熱線:0317-6165555
9905791@qq.com